|
2 members (MowingManiac, 1 invisible),
4,486
guests, and
661
robots. |
|
Key:
Admin,
Global Mod,
Mod
|
|
|
|
Joined: Jun 2013
Posts: 173
Apprentice level 2
|
Hi, am having a problem with a Honda GCV 160. While running it seems as though the governor is not opening up quick enough, the mower dies for a second then picks up and runs properly. Happens any time I hit a bit of thick grass. Things I have done are reset coil gap, stripped and cleaned carby, reset valves, new spark plug, and checked timing which is alrite. Is it possible that a part of the internal governor mechanism is getting stuck for a second then picking up to were it should be.
|
|
|
|
|
Joined: Jul 2005
Posts: 6,362 Likes: 10
Administrator - Master Technician
|
Hi Paul, I will hand you over to grumpy who is our resident guru on Honda engines...I am sure he will have some answers for you... 
Please do not PM me asking for support. Please post your questions in the appropriate forums, as the replies it may receive may help all members, not just the individual member. Kindest Regards, Darryl
|
|
|
|
|
Joined: Jan 2009
Posts: 6,926 Likes: 10
Pushrod Honda preferrer
|
The slow throttle response could have been due to a carburetor fault paul, or the the rubber timing belt that drives the overhead camshaft might have jumped a tooth or two. You said you have checked the timing: did you check the camshaft timing, or the ignition timing? I know you have had a past thread where it was the timing belt, so you probably meant that, but please confirm.
If the camshaft timing is correct, we will need to discuss in detail what you did when you serviced the carburetor. There are other possibilities as well, including loss of compression, and perhaps a sticking centrifugal governor mechanism, but let's begin with the most likely problems.
|
|
|
|
|
Joined: Jun 2013
Posts: 173
Apprentice level 2
|
Hi Grumpy, yes that is what I was talking about when referring to the timing, checking that the two marks on the camshaft sprocket lined up with the cylinder head surface, all lined up. With the carby I stripped it completely apart and blew it out with an air compressor. I have sent a couple of photos of the carby as well, could you tell me if this is the right one for this mower as it seems back to front compared to other carbys I have played with on Hondas. The compression seems to be fine as I have been told if you spin the motor backwards it will kick forward on compression stroke, which it will. Again is this true or not. ![[Linked Image]](https://www.outdoorking-forum.com.au/forum/uploads/usergals/2014/06/full-6941-16949-img_0352.jpg) ![[Linked Image]](https://www.outdoorking-forum.com.au/forum/uploads/usergals/2014/06/full-6941-16950-img_0353.jpg)
|
|
|
|
|
Joined: Jan 2009
Posts: 6,926 Likes: 10
Pushrod Honda preferrer
|
The correct carburetor for that engine is a Keihin BB62. I can see from your picture it is a Keihin BB, so I doubt it is the wrong one. The BB does have its idle channel, and its adjustments, on the opposite side compared with the BE used on the GXV (pushrod) engines. See illustration: ![[Linked Image]](https://www.outdoorking-forum.com.au/forum/uploads/usergals/2014/06/full-2772-16952-honda_gcv160_carburetor.png) When you cleaned the carburetor, did you clean the idle jet? It is located below the vertical screw-in plug just forward from the idle mixture screw (which is locked to prevent adjustment)? It is not removable, so it is a bit tricky to clean. Even more importantly, did you remove the emulsifier, which is above the main jet? Both of those parts are very vulnerable to fouling on that carburetor, and moderately difficult to clean. The symptoms seem quite a good fit for a gummy emulsifier, and it cannot be cleaned in place, it has to be removed from the carburetor. The compression test you have described is only relevant to side valve Briggs engines, and is used because the Briggs EasySpin feature makes a conventional compression test meaningless. You should do a compression test on that Honda with a gauge: specified pressure is 71 psi.
|
|
|
|
|
Joined: Jun 2013
Posts: 173
Apprentice level 2
|
Hi Grumpy, with the carby everything except the pilot screw was taken out and cleaned thoroughly. Borrowed a compression tester, came up with a reading higher then your 71psi, we got 90psi ( makes me wonder if the comp tester is working right) or will the compression vary from mower to mower.
|
|
|
|
|
Joined: Jan 2009
Posts: 6,926 Likes: 10
Pushrod Honda preferrer
|
Please confirm that you took the emulsifier out and cleaned it with carb cleaner, ensuring that all of the tiny radial holes were completely clear, and you verified that the idle jet (directly below the vertical screw near the idle speed screw) was clear by blowing air through it and probing through it with a 0.3 mm wire. Does the engine idle well? It should be as smooth as a pushrod Honda, which means about as smooth as a car engine. The progression as you gradually increase speed from idle must also be rather smooth, though not at car engine standard.
The compression pressure can vary a bit from engine to engine, because of the decompressor. The decompressor is using a bit of stamped tin to bump the exhaust valve momentarily in the second half of the compression stroke, and you can't expect to get really tight tolerance on the exact moment when the valve closes again, using that kind of mechanism. The original workshop manual for the first of the OHV Honda engines (the GXV120, in 1983) gave two specifications for compression pressure. One was just the same as the test you have just done: test the engine in its standard condition, ready to run except for the spark plug being removed. The second test was with the decompressor disabled, and of course it gave double the pressure, 140-odd PSI. However that test was dropped from later workshop manuals.
If you can clarify those carburetor issues, we can either absolve the carburetor of guilt, or focus on it.
|
|
|
|
|
Joined: Jun 2013
Posts: 173
Apprentice level 2
|
Hi Grumpy, did take the emulsifier out and blew and sprayed out and when held up to the light was able to see through all holes, the idle jet was done in same way ( except you cant see through it ). Instead of using a piece of wire probe I borrowed an assortment of sewing/darning needles off partner. The mower will idle smoothly and when you increase the revs it picks up just as smooth, runs well until it hits a thicker patch of grass, it still does as I mentioned in my first message.
|
|
|
|
|
Joined: Jan 2009
Posts: 6,926 Likes: 10
Pushrod Honda preferrer
|
So, we can clear the carburetor of blame and also the camshaft timing.
I suggest the next thing to check, is the free fuel flow into the carburetor. If you have already cleaned out the needle and seat plus the carburetor entry fitting, you just need to pull off the fuel hose at the carburetor and see how long it takes for a cup-full of petrol to run out of the hose. (If you haven't cleaned the entry sections of the carburetor, remove the drain plug from the float bowl and make the same test that way.) Do this with the fuel tank cap installed, in case it is the tank vent.
Also, examine the air filter including the pre-filter to ensure they are not causing restriction.
If those parts pass muster, we will have to start looking for some more obscure issues, such as incorrectly assembled or damaged governor linkage.
|
|
|
|
|
Joined: Jun 2013
Posts: 173
Apprentice level 2
|
Hi Grumpy just done the free fuel test and came up with the same each time. Done it into a small dish which I marked (approx.2/3rds a cup) and each time it took the same amount of time, approx. 14-16 secs. The fuel ran freely without any sign of surging or loss of pressure. The air filter is a little bit dirty but still new enough to work properly.
|
|
|
|
|
Joined: Jan 2009
Posts: 6,926 Likes: 10
Pushrod Honda preferrer
|
Sounds like we need to review the governor then, Paul. Can you post pictures of it please: the governor arm, top and bottom. The top view should show the link from the governor arm to the throttle, and the anti-surge spring around the outside of the link. The bottom view should show the governor spring, attaching both to the governor arm and the speed control lever.
|
|
|
|
|
Joined: Jun 2013
Posts: 173
Apprentice level 2
|
Hi Grumpy, tried to get a few photos for you but camera decided to go flat. Only got 1 at the moment but will get a few more for you as soon as I am able to tomorrow. ![[Linked Image]](https://www.outdoorking-forum.com.au/forum/uploads/usergals/2014/06/full-6941-16958-img_0354.jpg)
|
|
|
|
|
Joined: Jan 2009
Posts: 6,926 Likes: 10
Pushrod Honda preferrer
|
Thanks Paul. As well as verifying that it is correctly assembled, I want to check that the linkage is not fouling against anything. Once in a while the top of the governor arm gets bent inward and rubs something, which damps the system response.
|
|
|
|
|
Joined: Jun 2013
Posts: 173
Apprentice level 2
|
Hi Grumpy got two more photos for you to look at, hope they are what you are wanting. ( sorry, had to charge camera, as they say if it aint one thing its another). Read what you said in your last post, governor arm doesn't seem to touch any were on or near enough to motor to rub. Hope its okay but went ahead and took motor off base and started to strip it down. (getting carried away) ![[Linked Image]](https://www.outdoorking-forum.com.au/forum/uploads/usergals/2014/06/full-6941-16960-img_0358.jpg) ![[Linked Image]](https://www.outdoorking-forum.com.au/forum/uploads/usergals/2014/06/full-6941-16961-img_0359.jpg)
|
|
|
|
|
Joined: Jan 2009
Posts: 6,926 Likes: 10
Pushrod Honda preferrer
|
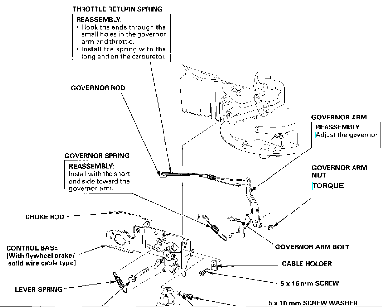
It isn't easy to see from the pictures. Here are the instruction illustrations: ![[Linked Image]](https://www.outdoorking-forum.com.au/forum/uploads/usergals/2014/06/full-2772-16963-honda_gcv160_governor_set_up.png) ![[Linked Image]](https://www.outdoorking-forum.com.au/forum/uploads/usergals/2014/06/full-2772-16964-honda_gcv160_governor_instruction.png) If you follow the instructions there, and check what you have against the drawings, we should end up sure you have it right.
|
|
|
|
|
Joined: Jun 2013
Posts: 173
Apprentice level 2
|
Hi Grumpy, have had a look at governor arm, spring etc.and it is all good. Have since pulled motor apart. I found a lot of gunk around the governor arm that goes through the crank case, could of this been a slight problem as to the governor not opening properly. Photo 1. I also found a small thin washer in the motor I know it comes from same governor arm (found them when I pulled a motor a part for spares). Without this washer could the lugs for this arm been slightly catching on crankcase and slowing governor for opening properly. No scraping or marks found though. I also found a lot of gunk around the shaft that drives the governor arm, the part that goes in and out, could of this also contributed to governor not opening properly. Photo2. ![[Linked Image]](https://www.outdoorking-forum.com.au/forum/uploads/usergals/2014/06/full-6941-16967-img_0363.jpg) ![[Linked Image]](https://www.outdoorking-forum.com.au/forum/uploads/usergals/2014/06/full-6941-16968-img_0360.jpg)
|
|
|
|
|
Joined: Jan 2009
Posts: 6,926 Likes: 10
Pushrod Honda preferrer
|
Here is the assembly instruction for the governor inside the crankcase. Let's see if yours is correctly assembled, and where that washer should be. Also, while I think it isn't very likely the governor shaft could stick, I think the slider and centrifugal weights could do so fairly easily. ![[Linked Image]](https://www.outdoorking-forum.com.au/forum/uploads/usergals/2014/06/full-2772-16969-honda_gcv160_governor_internal.png) You should also go through the process for adjusting the rotational position of the governor lever on its shaft. To do this you loosen the clamp bolt, pull the top of the lever fully to the right (so the throttle is wide open), hold it there, and rotate the governor shaft clockwise as far as it will go. Hold everything in that position, and tighten the clamp bolt. Don't overtighten it.
|
|
|
|
|
Joined: Jun 2013
Posts: 173
Apprentice level 2
|
Hi Grumpy, check the mower parts against the supplied picture, and its all good. Hoping I was right about the washer I found, and I was. Put it all back together, double checking as I went. Got motor completely back together, double checked governor arm as you suggested. Double checked everything again. Fresh oil, new spark plug and air filter, couple of soft pulls just to get a bit of oil every were. On the second actual pull kicked over, now running smoothly from idle up to full revs, even in the thick grass. Thanks heaps Grumpy for all your help (and patience).
|
|
|
|
|
Joined: Jan 2009
Posts: 6,926 Likes: 10
Pushrod Honda preferrer
|
No problem, Paul, getting to a solution is the fun part of being here. Thanks for reporting back - it makes this thread useful for the archives.
|
|
|
|
These Outdoorking Forums have helped Thousands of people in finding answers to their equipment questions.
If you have received help, please consider making a donation to support the on-going running cost of these forums.
|
|
|
M |
T |
W |
T |
F |
S |
S |
|
1
|
2
|
3
|
4
|
5
|
6
|
7
|
|
8
|
9
|
10
|
11
|
12
|
13
|
14
|
|
15
|
16
|
17
|
18
|
19
|
20
|
21
|
|
22
|
23
|
24
|
25
|
26
|
27
|
28
|
|
29
|
30
|
31
|
|
|
|
|
|
|
Forums145
Topics13,035
Posts107,131
Members17,730
| |
Most Online16,069 Sep 19th, 2025
|
|
|
|