Need help?


Search OutdoorKing-Forum by entering Key Words Below



Who's Online Now
1 members (iancharles), 1,421 guests, and 210 robots.
Key: Admin, Global Mod, Mod
Online Spare Parts


Online Store


Newest Topics
Victa Vantage 2 stroke rescued from landfill
by MowingManiac - 25/10/25 09:41 PM
Decompression Valve carby connection
by Ghost - 25/10/25 07:11 AM
Victa 24 engine pulleys
by NormK - 19/10/25 08:49 PM
Rover Rancher 1766 headlight lens
by mm-mowers - 17/10/25 05:25 PM
Re rotomo crankshaft.
by Mops Mowers - 11/10/25 07:49 AM
Rotomo crank shaft
by Mops Mowers - 09/10/25 06:07 PM
Topic Replies
Victa Vantage 2 stroke rescued from landfill
by maxwestern - 26/10/25 07:37 PM
Decompression Valve carby connection
by NormK - 25/10/25 09:57 AM
Rover Rancher 1766 headlight lens
by mm-mowers - 23/10/25 06:03 PM
Victa 24 engine pulleys
by NormK - 22/10/25 09:06 PM
The Rover Pro-Cut Chronicles
by DFB - 19/10/25 09:36 PM
Re rotomo crankshaft.
by Mops Mowers - 12/10/25 08:32 PM
Morrison Rapier 710 Advice Please!!
by maxwestern - 12/10/25 07:35 PM
Rotomo crank shaft
by Mops Mowers - 10/10/25 10:16 PM
Previous Thread
Next Thread
Print Thread
Rate Thread
Hop To
#56720 28/06/14 06:19 AM
Joined: Apr 2014
Posts: 12
Novice
Hello, just need some advice on my early model greenfield, from what I can find out from your fantastic forums she is a pre 1970 model running a G65 Honda. I have only had it for a matter of weeks and runs like a clock. Last weekend while cutting through some rather tough ferns, lamandra (sags) etc I felt an occasional surging motion. It appeared to be transferring from wheels not the cutting disk as at different points I was on already cut areas, Any help would be greatly appreciated. Regards Phil


Joined: Jan 2009
Posts: 6,926
Likes: 10
Pushrod Honda preferrer
***
Hi Phil, welcome to Outdoorking.

I think we need a bit more clarification of the surging motion you felt. Were the back wheels slipping, perhaps on mud or gravel, when it happened? If so, that is normal: intermittent wheel-slip will give a surging sensation to the driver.

If it is not wheel-slip, and it is in the wheel-drive system, there are two generic explanations remaining: the engine is surging, which is usually a sign of lean mixture, or the wheel-drive system itself is slipping. I'll begin with the more common, and less dire, explanation of slip in the wheel-drive system. The Greenfields are subject to belt slip in the wheel-drive system, and most times this is caused by insufficient belt tension. You can test for this fairly easily. Point the machine forwards up a slope, and see if it slips rather than powering ahead. If it does, turn it around and reverse up the same slope. If it will go up the hill backwards better than it does forwards, it is highly likely that you have insufficient belt tension, which is usually easily fixed. The Greenfield wheel drive system, which in general I like, has one important design weakness. Its automatic belt tensioning system cannot operate when it is in forward drive, but works well when driving backwards. This is because the spring-loaded tensioner-pulley experiences twice the belt tension pulling it in the belt-loosening direction, whenever you are driving forward. On the other hand it is free to tighten the belt whenever you are reversing. To make the system work, Greenfield fitted a ratchet system to the tensioner, so the tensioning pulley cannot ever move in the belt-loosening direction. Hence when necessary it adjusts the ratchet on the tensioning pulley up a notch when you reverse, then holds it in that position until more wear takes place, and you happen to use reverse, whereupon it tightens another notch. The problem is that the ratchet mechanism is a bit tin-pot, and it also can only move in complete notches, so not-infrequently belt slip occurs in the forward direction. The experienced Greenfield operator then removes the seat and applies a small lever to the tensioner pulley, pushing it forward toward the front of the tractor. A small click may be heard from the ratchet, indicating that it has taken up a notch. The belt slip then disappears until the next time.

The alternative, and more dire, explanation of slip in the wheel drive system is not belt slip, but wear in the forward clutch. Where the belt slip problem is fixable in a couple of minutes, fixing a worn forward clutch is more in the couple of hours category. We have several detailed threads describing how to remove and re-line one of the clutches, and we can discuss this further when you report back. Initially though, we need to know whether the engine is changing speed when the surging occurs. If it is, we can talk about adjusting the engine's mixture. If the engine is not changing speed, I suggest you try the hill-climbing forward and backward test, and see whether the tensioning pulley's ratchet will take up by a notch. If neither of those explanations is applicable, we can talk in more detail about servicing the clutches.

Joined: Apr 2014
Posts: 12
Novice
Thanks grumpy for the welcome. Wow! what a great easy to understand explanation thank you. No gravel or mud here just wet vegetation. I don't think the motor was changing speed and fuel consumption is a little less (I guess) than one litre per hour at 2/3 throttle on flat land. The inline clutches you mentioned, are located at the front of the engine? I' ll go and check for belt slippage now. Thanks once again. Phil


Joined: Jan 2009
Posts: 6,926
Likes: 10
Pushrod Honda preferrer
***
Phil, the only clutch at the front of the engine on the HD8 is the cutter clutch if I recall correctly. The wheel drive clutches (forward and reverse) are much larger and are under the seat, just behind the belt tensioning pulley. The drive pedal engages the forward or reverse clutch depending on which way you tip the pedal with your right foot.

Joined: Apr 2014
Posts: 12
Novice
Grumpy, just been out for belt tension test,tried what you said, uphill in forward first then in reverse. She started to climb only slowly but as the load was applied with no noticeable speed increase, decrease if anything, a squeal developed coming from the front of the engine area. As I released the pressure from the pedal and rolled back the squeal stopped. Did the same in reverse this time no squeal and climbed easily spinning the wheels as traction was lost. What would you think is the problem? Took some pictures but I've got to work out how to post them to you. There are two belts running at the front of the engine in my photos. May not be an HD8 after all. Phil

Joined: Jan 2009
Posts: 6,926
Likes: 10
Pushrod Honda preferrer
***
That sounds to me as if the belt was slipping on the engine pulley, at the front of the tractor, when you went forward, and was not slipping when you went backward. That would probably mean that your automatic tensioner is not working properly. (It is possible, though less likely, that the belt is worn out, and is touching the bottom of one of the pulleys, so it does not jam in the V to deliver full torque to the pulley.) Most likely you just need to lever the tensioning pulley (under the seat) forward a bit until the ratchet clicks into the next notch. The symptoms are wrong for a worn out forward clutch.

The HD8 has two V belts driven by the engine, like most ride-on mowers. It is moderately unusual in having a horizontal crankshaft engine, but like most such mowers it has two pulleys on that crankshaft, one to drive the cutter and one to drive the back wheels. If you have not read this thread about the HD8, I think you may find it interesting:
https://www.outdoorking-forum.com.au/forum/ubbthreads.php?ubb=showflat&Number=40749&page=1

To post pictures you use the fifth coloured icon from the left, at the top of the posting window. The icon looks like a spray can with a blue arrow pointing upward. You "Browse" to your picture on your hard drive, then press the button to add it to the thread. When you have attached all your pictures that way, you press the "All Done" button. You can add up to ten pictures to one post.

I am sure I am not the only one who is looking forward to seeing your pictures - the HD8 is old enough to be a very interesting machine.

Joined: Apr 2014
Posts: 12
Novice
[Linked Image]
[Linked Image]
[Linked Image]
[Linked Image]

Joined: Apr 2014
Posts: 12
Novice
Grumpy, sent these pics. The first shows the general condition, the rear tyre you can see has just had a new tube fitted. I used a wheel barrow tube from the local hardware same size and rated to brick trolley so I thought, why not at $8.99 against $17 for genuine. Can you spot anything that is unusual with the old girl? Second pic gives a clue. The third is the spoiler. The chap I bought her from fitted this from an old volvo, no alternator no room really, just plug in to the modified battery charger for 4-5 hours after 3 hours running. The socket is just above in the battery box. Back to the second pic, he fitted an old rule (static tacho) for his daughter so she knew which speed to start/drive and cut at. The silver colour pull switch next to the bonnet clip gives current to the starter and the black rubber one is the starter. Next weekend I'll adjust the cutter belt and see if that fixes the surge and squeal. Under the air filter box there is an oil tray presumably to prevent dust and dirt etc. from being drawn in. Can you advise me what type of oil and how deep it should be please? I was thinking maybe chainsaw bar oil, thats what I used on the chain. At the moment its about got 2mm in it and is reddish in colour. Phil

Joined: Jan 2009
Posts: 6,926
Likes: 10
Pushrod Honda preferrer
***
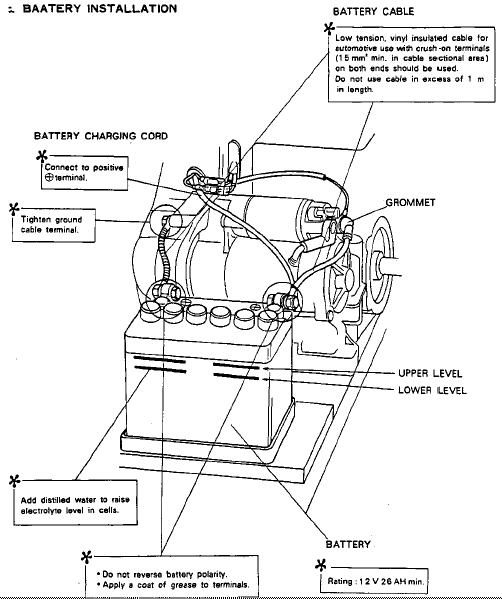
First, Phil: the Honda G65 engine has a built-in 15 Amp alternator inside the flywheel, as an adjunct to the magneto. If it isn't working, I suggest you correct the wiring so it does. Your other wiring sounds irregular as well, but I don't have a wiring diagram for the HD8. Here is the wiring for the engine itself:
[Linked Image]

Here is the Honda-specified wiring for charging the battery, if that is ever necessary once you correct the wiring:
[Linked Image]

The other issue is, it is the wheel-drive belt tensioner that requires attention, not the cutter drive.

Joined: Jan 2012
Posts: 1,842
Likes: 14
Moderator
Originally Posted by phillipz
Next weekend I'll adjust the cutter belt and see if that fixes the surge and squeal. Under the air filter box there is an oil tray presumably to prevent dust and dirt etc. from being drawn in. Can you advise me what type of oil and how deep it should be please? I was thinking maybe chainsaw bar oil, thats what I used on the chain. At the moment its about got 2mm in it and is reddish in colour. Phil

Engine oil. The fill level is marked on the tray; IIRC the small bottom section should be level full. Wash the dirt out with kero or turps, and allow to dry, before you refill it.

As regards the drive belt tension, the spring-loaded tensioner for this is mounted beneath the seat. This thread has some good pics; https://www.outdoorking-forum.com.au/forum/ubbthreads.php?ubb=showflat&Number=40749&page=1

It's designed to take up the slack automatically, and has a very simple non-return latch, but the shaft can get stuck once it gets rusty. As grumpy says, it likely just needs freeing up, or a bit of persuasion. 'Til it locks into the next notch.

Dunno that the G65 of that era would have been fitted with any 'lighting coil' or alternator. The HD8's didn't have any wiring diagram; all of the electrics were on the engine, including the ignition cutout switch!
Electric start wasn't a Greenfield option in them days - that's quite an ingenious setup there.

When Honda vertical shaft engines came out, and Greenfield went to vertical shaft engines, the new electric start models became much easier to sell to cockies. Meant that the cockie's missus could start the mower and run it around, instead of having to get hubby to come in and start it up.


Cheers,
Gadge

"ODK Mods can explain it to you, but they can't understand it for you..."

"Crazy can be medicated, ignorance can be educated - but there is no cure for stupid..."
Joined: Apr 2014
Posts: 12
Novice
Thanks for that info Gadge, the bloke I bought it from said it was a pull start, Grumpy had me wondering about that after seeing some others here

Joined: Jan 2009
Posts: 6,926
Likes: 10
Pushrod Honda preferrer
***
I can imagine Greenfield buying their G65s without the starter motor, since in 1970 I think that would have been the usual specification for ride-ons in Australia. What I can't imagine though, is why they would then have fitted a battery to a pull-start magneto-ignition mower - it sounds completely non-functional. It is the presence of the battery that made me think this mower started life with a G65 fitted with a starter and an alternator.

As far as the alternator, or "charging coil", is concerned, the workshop manual shows it but I don't see it on the few G65 parts lists that are still available on-line, so it, and the starter, may have been optional rather than standard. It might be best to have a look at the engine, checking for signs of residual wiring that match the engine wiring diagram I posted previously. If any of that wiring is present, chances are the charging coil is still there and can be connected. Alternatively if you have any reason to remove the flywheel, such as to check the breaker points for example, you will see whether there is just an ignition coil, or extra wiring for battery charging.

Joined: Apr 2014
Posts: 12
Novice
Grumpy, I will check that out to see whats going on. Just had time tonight for the drive belt adjustment, previous owner did a jury rig to the adjuster as well. No spring just a couple of lock nuts on a thread though the frame closest to the pulley. Would the missing pieces be still available?



Joined: Apr 2014
Posts: 12
Novice
[Linked Image]

Joined: Apr 2014
Posts: 12
Novice
Did some more photos [Linked Image]
[Linked Image]
[Linked Image]
[Linked Image]
[Linked Image]
[Linked Image]

Joined: Jan 2009
Posts: 6,926
Likes: 10
Pushrod Honda preferrer
***
I don't know if your adjuster ratchet uses the same parts as on later model, vertical crankshaft Greenfields. One possible solution is to contact Greenfield's service department, in Queensland. If the parts are similar to current ones you have a couple of easy options: get the parts from a wrecked modern machine, or get new parts from Greenfield. If the parts are considerably different, you could post something in the Outdoorking Wanted forum asking if anyone could help. If even that doesn't work, you could contact Rodeobob, a member who owns 3 HD8s, none of them complete or working, and see if he can help with some parts.

On another subject, if you look at the pictures in Rong's thread (a link to which has been posted twice previously in this thread), you will see that the HD8 is not supposed to have a battery or battery box: that is one of the previous tenant's improvements. I do not know if there is some other extraneous wiring on your machine powered by 12 volts, or if alternatively the previous tenant was a bit confused and installed a useless improvement. Perhaps he wanted an easy way to carry a battery around his property, in case he needed to jump-start a machine somewhere remote from the homestead?

Joined: Jan 2012
Posts: 1,842
Likes: 14
Moderator
Originally Posted by grumpy
On another subject, if you look at the pictures in Rong's thread (a link to which has been posted twice previously in this thread), you will see that the HD8 is not supposed to have a battery or battery box: that is one of the previous tenant's improvements. I do not know if there is some other extraneous wiring on your machine powered by 12 volts, or if alternatively the previous tenant was a bit confused and installed a useless improvement. Perhaps he wanted an easy way to carry a battery around his property, in case he needed to jump-start a machine somewhere remote from the homestead?

Even though the OP [phillipz] hasn't been back for some time, I think I should clarify a few points about this setup. Grumpy, it's apparent that the 'tenant improvements' have been extensive here.

What he appears to have done, is to fit a battery box in place of the original toolbox, and a ring gear/flex plate and compact starter motor [probably from an outboard/marine engine].

The starter's Bendix spiral drive housing and solenoid are visible, but the motor is concealed by the corrugated rubber cover.The ring gear/flex plate has been bolted up to the Honda recoil starter cup, and a bracket constructed to mount the starter motor.

Of course the battery would run as 'total loss', i.e. need to be charged by an external charger. The socket mounted on the left hand side of the battery box looks to be the connection point for that.
It looks to be a 'cigarette lighter' type 12V socket, rather than the superior ISO4165 [aka Hella/Merit] design.

All a very Heath Robinson way of going to an electric start ride-on!


Cheers,
Gadge

"ODK Mods can explain it to you, but they can't understand it for you..."

"Crazy can be medicated, ignorance can be educated - but there is no cure for stupid..."
Joined: Jan 2009
Posts: 6,926
Likes: 10
Pushrod Honda preferrer
***
Thanks Gadge, once again your exceptional knowledge of the HD-8, and superior (to mine, at least) observation skills have cleared up the mysteries. I suppose if I were the owner I'd leave that stuff in place until or unless it needed parts that weren't easily available, then I'd put the whole thing back to the way Greenfield made it: with a rewind starter. I kind of like HD-8s, and I try to reserve "improvements" for machines that don't have any design integrity or historical merit.

Joined: Apr 2014
Posts: 12
Novice
Gadge and Grumpy,I'm back, sorry I hadn't repied to you Grumpy. Nothing else is connected up to the battery. The previous tenant installed the starter (from a volvo) because his daughter who was previous to him, could not start it with the cord. Rather than selling he changed the starting mechanism. The ring gear/flex plate was found in the corner of a shed somewhere. The battery is a permanent setup so I don't think it was used as a spare to start something else. Yes Gadge the battery does run at a total loss, something I can live with. I used her today like most weekends lately, had three hours run time and two starts from drink breaks and the forth start was showing low output. Had enough by then anyway. A few hours on the charger tonight and it should be ready for tomorrow.
Regards Phil



Joined: Jan 2009
Posts: 6,926
Likes: 10
Pushrod Honda preferrer
***
Phil, unless that lead-acid automotive-type battery is kept fully charged it will form hard sulphates on its plates, the plates will be damaged by the associated expansion, the battery will lose capacity, and in a couple of years a new battery will become pretty much useless. Permanent trickle charge, using a proper regulated supply or better, a good automatic charger, will prevent this but only if you put it on the charger every time you finish using it. If the battery started off charged but was "showing low output" after only 4 starts, it has had the gong. It should start that little engine a couple of hundred times before it has low output.


Moderated by  Mr Davis, prd 

Link Copied to Clipboard
Forum Donation
These Outdoorking Forums have helped Thousands of people in finding answers to their equipment questions.

If you have received help, please consider making a donation to support the on-going running cost of these forums.

October
M T W T F S S
1 2 3 4 5
6 7 8 9 10 11 12
13 14 15 16 17 18 19
20 21 22 23 24 25 26
27 28 29 30 31
ShoutChat
Comment Guidelines: Do post respectful and insightful comments. Don't flame, hate, spam.
Newest Members
fordy, Mikey.Menace, Maudebs, Greenarrow01, stkarl
17,642 Registered Users
Forum Statistics
Forums145
Topics13,011
Posts106,980
Members17,643
Most Online16,069
Sep 19th, 2025
OutdoorKing Showcase
20 Bucks from FB Marketplace
20 Bucks from FB Marketplace
by Return Rider, February 20
Victa Cortina 2 Shed Find
Victa Cortina 2 Shed Find
by Return Rider, January 25
My Rover Baron 45
My Rover Baron 45
by Maxwell_Rover_Baron, April 16
SHOWCASE - Precision Mowers - 2021
SHOWCASE - Precision Mowers - 2021
by CyberJack, April 14
SHOWCASE – Atco Rotary – Paul C - 2020
HOME |CONTACT US
Powered by UBB.threads™ PHP Forum Software 8.0.0
(Release build 20240826)
Responsive Width:

PHP: 8.3.26 Page Time: 0.080s Queries: 56 (0.068s) Memory: 0.7355 MB (Peak: 0.8474 MB) Data Comp: Zlib Server Time: 2025-10-28 12:32:21 UTC
Valid HTML 5 and Valid CSS