Need help?


Search OutdoorKing-Forum by entering Key Words Below



Who's Online Now
0 members (), 1,598 guests, and 867 robots.
Key: Admin, Global Mod, Mod
Online Spare Parts


Online Store


Newest Topics
Victa Craftsman Twin Sisters Find
by MowingManiac - 02/12/25 09:53 PM
Testing for spark
by NormK - 01/12/25 05:15 PM
Victa chassis - B&S shaft length
by mrkhemlani - 28/11/25 03:30 PM
Yard king 4 stroke blower (883233)
by Minstrover - 25/11/25 01:03 PM
Rover 2 stroke Suzuki hard to pull start
by SuziRova - 22/11/25 09:31 PM
Topic Replies
Mower is making strange noise,diff problem?
by leslloyd - 12/12/25 03:33 PM
Testing for spark
by NormK - 09/12/25 09:14 AM
Victa 24 with PT fitted
by NormK - 05/12/25 09:55 PM
TROJAN MAJOR - Motor Fitted To Ogden Rotamatic
by Actionman - 05/12/25 05:42 PM
Victa Craftsman Twin Sisters Find
by MowingManiac - 02/12/25 09:53 PM
Victa chassis - B&S shaft length
by maxwestern - 01/12/25 05:50 PM
Rover 2 stroke Suzuki hard to pull start
by SuziRova - 29/11/25 09:49 PM
Yard king 4 stroke blower (883233)
by maxwestern - 26/11/25 01:33 PM
Lectron Generator Fuel Pump
by maxwestern - 26/11/25 01:15 PM
Previous Thread
Next Thread
Print Thread
Rate Thread
Hop To
#38303 14/07/12 01:17 PM
Joined: Jun 2010
Posts: 14
Novice
G'day guys,im both hopeful & confident you guys can help me out with my frustrating problem.Seems i have got a 91/92 commando k/s with engine EN72804Z.Old guy i got it off said battery stopped being able to fire it over looong time ago & ever since has been a barstool to pull start her up.......but "persevere lad as it will go eventuaally"
I stripped off the key start,battery/enclosure & wiring loom & admittedly didn't pay enough attention to where other wiring was attacched.I guess im asking for absolute basic step by of where the remaining wires connect to please?

So im left with The spark plug lead + 1 BROWN & 2 BLACKS coming from the coil...they are conduited along until they pop out near the carby where the BROWN goes into the elec ignition module & that brown comes out of that module(both at the same end((carby end)) )it finishes in a copper sleeve(?) & goes into the carby as 1 half of the kill switch.1 BLACK wire coming out of the conduit has the copper sleeve also so i assume that is the other half of the kill switch.Finally the other BLACK wire seems long enough to go anywhere although it has a splade end to it which im thinking narrows its possible connecting sites.I spotted a clip at the other end of the elec.ignition module & clipped the splade on there but it didnt seem to look or feel right.Then I remembered there was a wire connected to the block thru a bolt hoke above the mofule at some stage.Would that come from the module by way of a wedge clip?Sorry for posting this epic lads & thank anyone in advance who takes the time to read it & better still replies to me.Any questions please get back to me & i hope ive described the scenario clearly enough but yeah even if you think my problem is obvious enough to not bother replying....please do.Truth is ill have a crack at most "blokey" stuff & sort of pick things up on the way...but being colourblind ive only had very very minimal exp. with it.I know this isnt the same as household elecs. or bigger but i cant seem to even "get" the theories/logic of an elec. circuit.I think its a control thing/issue.Anywhooo im seriously babbling now...posting time.Thanks again & Mods...congrats.This place rocks
Bob

Joined: Jul 2005
Posts: 6,362
Likes: 10
Administrator - Master Technician
****
Hi Bob, sorry for the delay, but have been busy over the weekend. smile
Mate, posting some pics of the machine would help, as there are many models....I am presuming this is a 2 stroke from Commando 1991-2.
I will do some research for you to see if we have a wiring diagram in the manuals section. Failing that, our Victa guru, Joe Carroll may chime in here and have some ideas. wink
Please be patient, we will try and help you.
cheers2


Please do not PM me asking for support. Please post your questions in the appropriate forums, as the replies it may receive may help all members, not just the individual member.
Kindest Regards, Darryl grin


Joined: Dec 1999
Posts: 5,394
Likes: 35
Repair Junkie
****
Deejay,

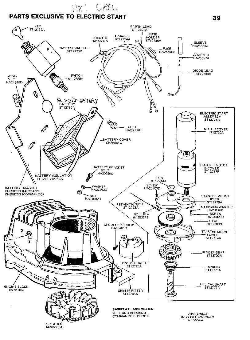
Image of the wiring as requested below. [Linked Image]


Regards,
[Linked Image]

Bruce


Please do not PM me asking for support. Post on the forums as it helps all members not just the individual.
Bruce #38333 16/07/12 05:24 PM
Joined: Jul 2005
Posts: 6,362
Likes: 10
Administrator - Master Technician
****
Thanks Bruce for posting the parts list ....unfortunately it doesn't show which wires go where....and their not colour coded in the diagram either. frown
cheers2


Please do not PM me asking for support. Please post your questions in the appropriate forums, as the replies it may receive may help all members, not just the individual member.
Kindest Regards, Darryl grin


Joined: Jun 2010
Posts: 14
Novice
Yeah thanx guys for your replies .Apologies for the bump if it came across as an impatient twat.I'm not usually.....well heres some pics Ive [Linked Image]
[Linked Image]
[Linked Image]
[Linked Image]
[Linked Image]
[Linked Image]
[Linked Image]
[Linked Image]
got of the culprit- hope they worked & thanx again

Joined: May 2012
Posts: 467
Qualified Junior
***
Hey there bob
the spade terminal does go to the ignition module if its loose just give it a light squeeze.
the longer of the remaining "long shaft" terminals (brown wire) goes to the kill switch of the carb you would have had two
rubber parts from the kill switch one is like a little plug the other a boot ,
The longer shaft presses into that boot and then the shaft into the kill switch hole (carb set in run position)
, then the other rubber cover slides over the switch hole then The shorter shaft passess through the switch hole longways . From the look of your fuzzy muffler port pic,
the hard starting is more likely scoring and worn piston rings.
[Linked Image]
[Linked Image]
[Linked Image]
Hope this helps

Last edited by tomo4192; 07/09/12 11:48 PM.

Moderated by  bigted, Bruce, CyberJack, Gadge, Mr Davis 

Link Copied to Clipboard
Forum Donation
These Outdoorking Forums have helped Thousands of people in finding answers to their equipment questions.

If you have received help, please consider making a donation to support the on-going running cost of these forums.

December
M T W T F S S
1 2 3 4 5 6 7
8 9 10 11 12 13 14
15 16 17 18 19 20 21
22 23 24 25 26 27 28
29 30 31
ShoutChat
Comment Guidelines: Do post respectful and insightful comments. Don't flame, hate, spam.
Newest Members
Taras, Tool, Blakewell26, Aaron., Peter1162
17,719 Registered Users
Forum Statistics
Forums145
Topics13,031
Posts107,113
Members17,720
Most Online16,069
Sep 19th, 2025
OutdoorKing Showcase
20 Bucks from FB Marketplace
20 Bucks from FB Marketplace
by Return Rider, February 20
Victa Cortina 2 Shed Find
Victa Cortina 2 Shed Find
by Return Rider, January 25
My Rover Baron 45
My Rover Baron 45
by Maxwell_Rover_Baron, April 16
SHOWCASE - Precision Mowers - 2021
SHOWCASE - Precision Mowers - 2021
by CyberJack, April 14
SHOWCASE – Atco Rotary – Paul C - 2020
HOME |CONTACT US
Powered by UBB.threads™ PHP Forum Software 8.0.0
(Release build 20240826)
Responsive Width:

PHP: 8.3.27 Page Time: 0.078s Queries: 27 (0.070s) Memory: 0.6466 MB (Peak: 0.6881 MB) Data Comp: Zlib Server Time: 2025-12-12 17:20:19 UTC
Valid HTML 5 and Valid CSS